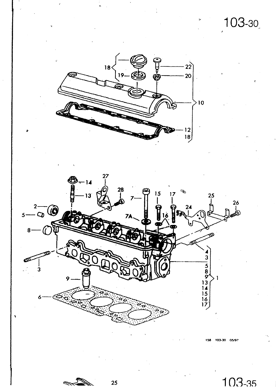
1 C 3 3 22 18 19 20 12 7 3 25 26 2Ä 16 7A 0 So 6 0 13 M 5 16 7 K5 25 1 03 35 14 15 16 17 18 19 20 22 24 24 1 24 25 25 26 27 28 902 790 01 010 2213 011 524 23 010 349 06A 103 485 059 103 487 030 103 533 030 103 531 030 103 388 C 030 103 388 D 030 103 388 H 030 103 311 A 030 103 311 D N 0M710 7 030 103 390 J N 014 710 7 030 198 012 0 032 198 012 A SECHSKANTBUNOMUTTER SECHSKANTSCHRAUBE SWEWE SECHSKANTSCHRAUBE VERSCHLUSSDECKEL DICHTUNG DICHTSCHEIBE ZYLINDERSCHRAUBE MIT INNEN SECHSKANTKOPF EINHAEWGEOESE EINHAENGEOESE F 6N V 999 000 EINHAENGEOESE F 6N W 00 001 HALTER HALTER ZYIINOERSCHRAUBE MIT INNEN SECNSKANTKOPF LASCHE ZYIINOERSCHRAUBE IT INNEN SECNSKANTKOPF OICNTUNGSSATZ FUER ZYLINDER KOPF DICHTUNGSSATZ FUER ZYLINDER KOPF f M7 M6X35 A6 4X12 5X1 6 M6X45 MG M8X20 M8X20 AEV ADX AEA AER AEX AEE AHS AKV AER ALL AEX ANX APO AEE AHS AKV AEV ADX AEA AER ALL AEX ANX APO AEE AHS AKV AER ALL ADX AEA AEV ADX AEA AEE AEX ANX APO AHS AKV NAUPTGRUPPE 1 MOTOR kWLD I ERSATZTEILE N BENENNUNG 0 1 013 1 I 103 30 BEMERKUNG ST KENNBUCHST

Vorschau Polo Mod 95-99 Seite 97
Hinweis: Dies ist eine maschinenlesbare No-Flash Ansicht.
Klicken Sie hier um zur Online-Version zu gelangen.