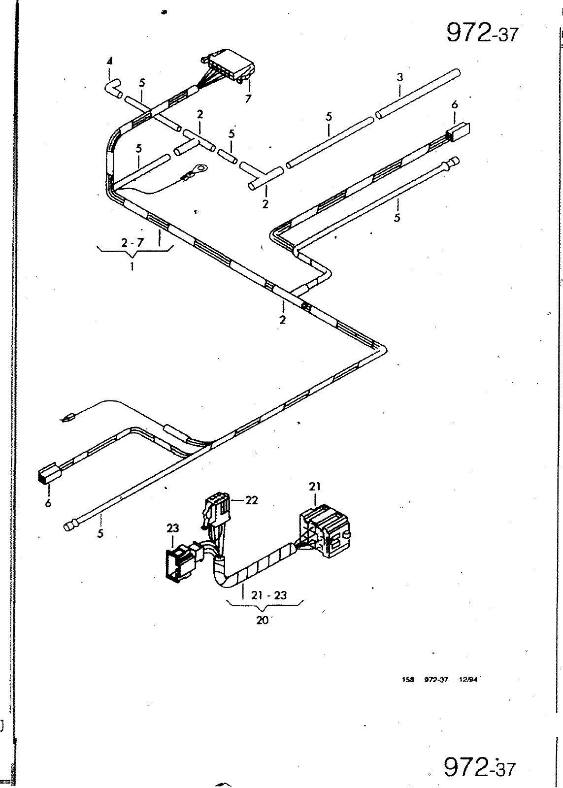
C 7 2 37 2 7 22 23 21 23 20 IS 7 t2 M 972 37 HAUfTGRUPPE ELEKTRISCHE AUSRUE5TUN6 BIID ERSATZTEILE NR BENENNUNG BEMERKUNG ST MODELL 1 1 1 1 2 3 4 5 6 20 21 6N3 971 122 A 6K4 971 122 A GN3 971 122 B 6N4 971 122 B 3A0 972 706 J 191972 726 IHO 971 382 LEITUNGSSATZ EUER ZENTRALVER RIEGELUNG F 6N SY098 499 F GN SW012 999 LEITUNGSSATZ EUER ZENTRALVER RIEGEIUNG LEITUNGSSATZ FUER ZENTRALVER RIEGELUNG LEITUNGSSATZ FUER ZENTRALVER RIEGELUNG LEirUWGSSATZ FUER ZENTRALVER RIEGELUNG EINZELTEILE 2 TUERIG 4 TUERlG 2 TUERIG 4 TUERIG LLKG LLKG RLKG RLKG SIEHE BILDTAFEL SIEHE BILDTAFEL SIEHE BILDTAFEL 161 937 501 B T STUECK SCHLAUCH WINKELSTUECK ROHR SIEHE BILDTAFEL FLACHKONTAKTdEHAEUSE ANSCHLUSSSTUECK SAEUIE A f LEITUNGSSATZ FUER ZENTRALVER RIEGELUNG FLACHSTECKHUELSENGEHAEUSE ANSCHLUSSSTUECK STEUERGERAET ZENTRÄLVERRIEGELUNG LEITUNGSSATZ FUER SITZHEIZUNG RELAIS 862 00 862 00 862 00 862 00 6 POLIG 12 POLIG LEITUNGSSATZ FUER SITZHEIZUNG RELAIS EINZELTEILE WELLROHRE ABZWEI6STUECKE CLIP S HALTER TUELLEN KABELBINDER ISOLIER SCHLAUCH ELEk LEITUNGEN EINZELLEITUNGEN UND AB DICHTUNGEN SIEHE KATALOG ELEKTRISCHE VERaiNDUN6SELEMENTE EP198 RELAISTRAEGER ANSCHLUSSSTUECK RELAIS 9 POLIG 22 23 191 972 723 IJO 972 732 FLACHSTECKHUELSENGEHAEUSE ANSCHLUSSSTUECK SITZ HEIZELEMENT FLACHSTECKHUELSENGEHAEUSE ia7 S7 6 POLIG 4 POLIG 0 9 112 I

Vorschau Polo Mod 95-99 Seite 935
Hinweis: Dies ist eine maschinenlesbare No-Flash Ansicht.
Klicken Sie hier um zur Online-Version zu gelangen.