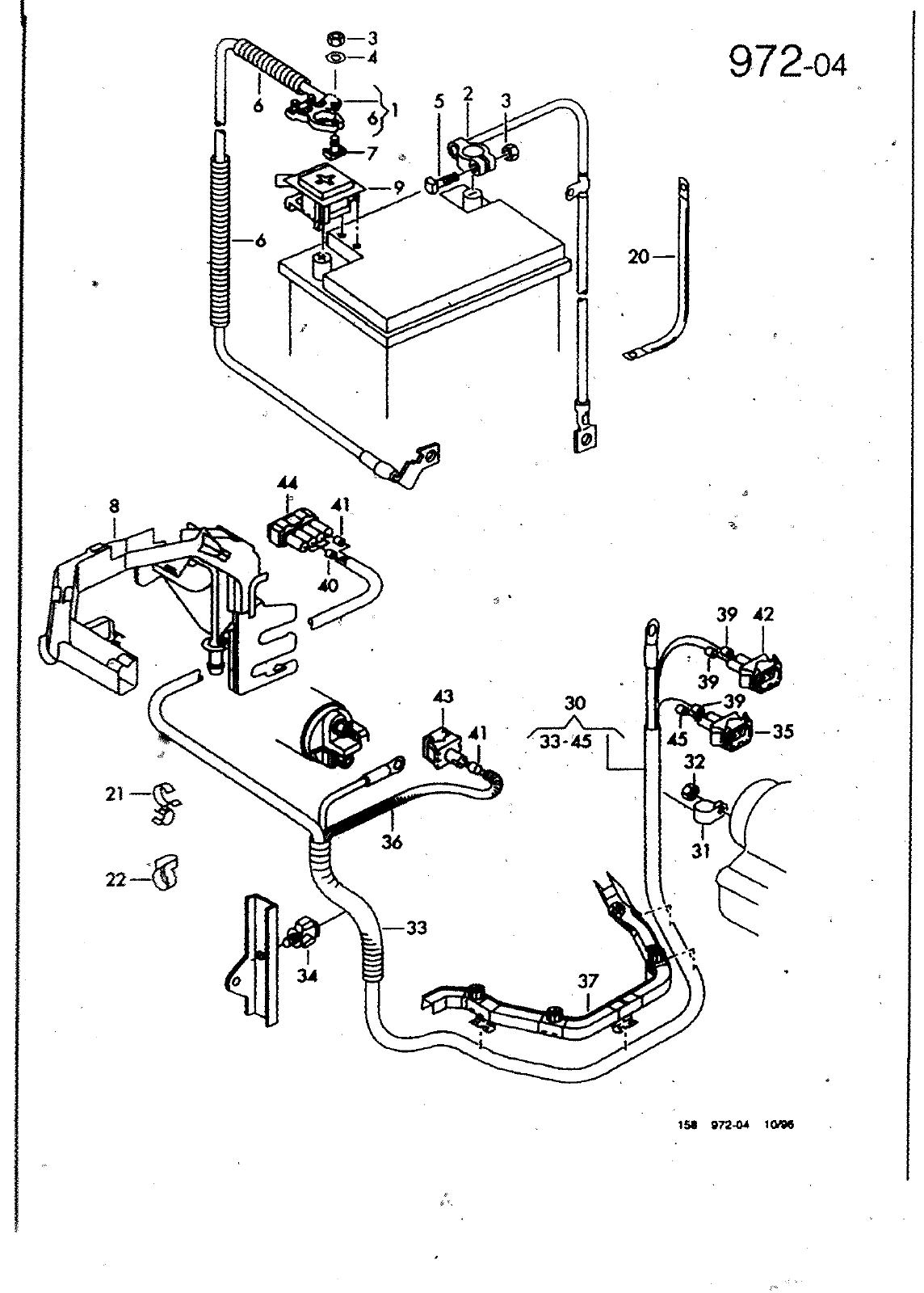
972 04 20 39 42 39 39 30 45 33 45 32 31 37 L 43 44 44 45 357 972 771 357 972 782 357 972 784 357 972 841 FIACHKONTAKTGEHAEUSE ANSCHLUSSSTUECK ANLASSER FIACHKONTAKTGEHAEUSE KUPPLUNGSSTUECK LEITUNGSSATZ EUER MOTORRAUM FLACHSTECKERGEHÄEUSE KUPPLUNGSSTUECK LEITWNGSSATZ FUER MOTORRAUM EUER FAHRZEUGE MIT KLIMAANLAGE STOPFEN 1 POLIG KL 50 2 POIIG 4 POLIG 5 6X7 8 GRUEN ADX AEA AEV AEF AGD AHG AKU AEE AEX AFN AKF AHS AKV ANX APQ AER ALL ADX AEA AEV ADX AEA AEV 1972 04 0 9 108 I

Vorschau Polo Mod 95-99 Seite 927
Hinweis: Dies ist eine maschinenlesbare No-Flash Ansicht.
Klicken Sie hier um zur Online-Version zu gelangen.