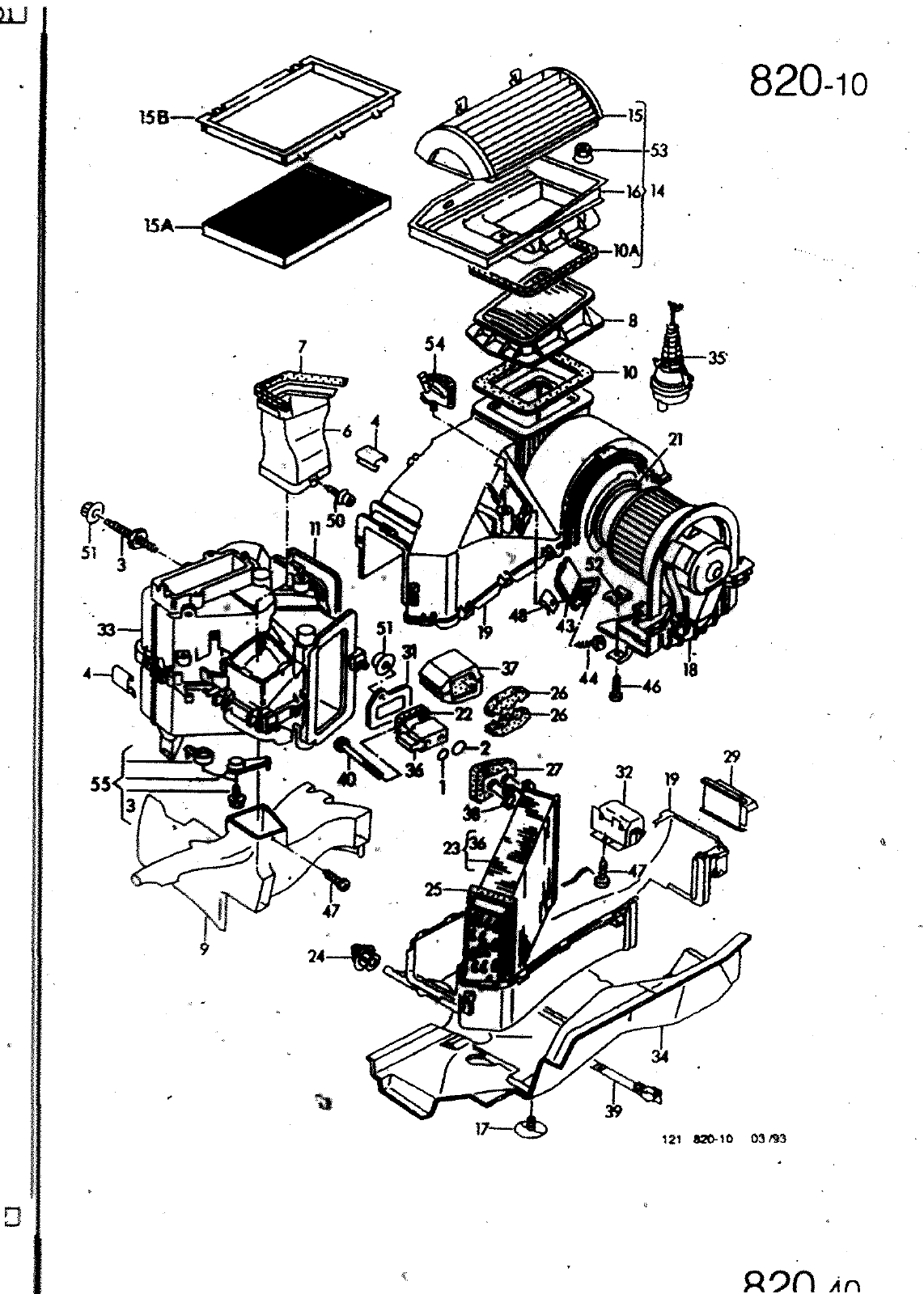
UJ ISA MA 54 4 33 B 37 44 f L f ß 2 27 32 55 23 Nr 47 820 10 121 gm O 03 M A9in jn 35 36 37 39 40 43 44 46 47 4 50 51 52 53 54 55 55 INZ 8Z0 677 GNO 820 679 IHO 820 692 8 95 09 95 191 820 845 N 102 278 OlC 03 701 959 263 A M3 9W 013 969 014 099 015 442 103 0 1 902 162 02 7 7 903 521 906 661 5 4 3 1 01 01 01 01 01 IHl 9 001 1N2 898 001 UNTERDRUCKDOSE EXPAWSIONSVENTIL ISOIIERSTUECK SATIRSCMWARZ SPA A D ZYIINOERSCMRAUBE MIT INNEN SECNSKANTKOPF KOMBI VORNiDERSTARD EUER FRISCH UND NEIZlWFTGEBLAESE U SE IECNSCNRAUBE II SEN IECNSCMRAUBE LIRSE SE K LECNSCMRAUBE SCWMAPPMUTTER 1 NSE IECMSCHRAUBE KOMBI SECWSKANTAWSATZMUTTER CMAm TTER SECNSKANTBURDMUTTER KABEIBIROER 1 SATZ NEBEL FWER LUFTVERTEI lERGEHAEUSE 1 SATZ NEBEl FUER LUFTVERTEI LERGEMAEUSE i RLKG R134A N6XZ0 1 9 0 92 0 26 84 2X9 5 84 8X16 ST4 8X13 C B4 2X12 8X11 B4 8X16Z2 M6 84 8X14X12 6 5 4 5X200 LLK6 RLKG I AZA iA D a ö25 NAUPT6RUPPE 8 I I AUFBAU I I

Vorschau Polo Mod 95-99 Seite 535
Hinweis: Dies ist eine maschinenlesbare No-Flash Ansicht.
Klicken Sie hier um zur Online-Version zu gelangen.