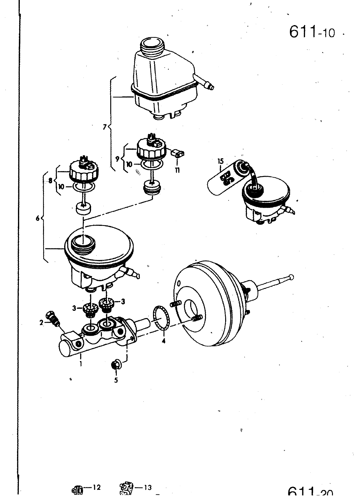
611 10 9 f 11 9 1 Oll lU U O VUO I 7 8 9 10 15 15 jl5 6M2 611 301 B 6W1 611 349 B ÖNZ 611 349 A 893 611 347 IHO 611 037 000 700 AI 000 700 A3 000 700 A6 NAUPT6RUPPE 6 I I AUSGLEICNBENAELTER F E FANRZCWSE MIT HYDRAWII SCME KWPPLWNGSBETAETIGUNG VERSCMLWSSDECKEl FUE AWSGIEICNBENAEITE VE SC l SSDECKEl FUE AUS GLEICMBEkAECTE MIT FLUESSIG KEIT5STA 0S6EBE DICNTNING SPAäNSTIFT BREMSFLUESSIGKEIT BREMSFIUESSIGKEIT BKENSFLUESSIGKEIT BREMSFlUESSIGKEIT RLK6 ILKG RLKG 0 Z51TR IITR lOLTR 611 10 D 6 009 RAEOER BREMSEM I MODELL

Vorschau Polo Mod 95-99 Seite 403
Hinweis: Dies ist eine maschinenlesbare No-Flash Ansicht.
Klicken Sie hier um zur Online-Version zu gelangen.