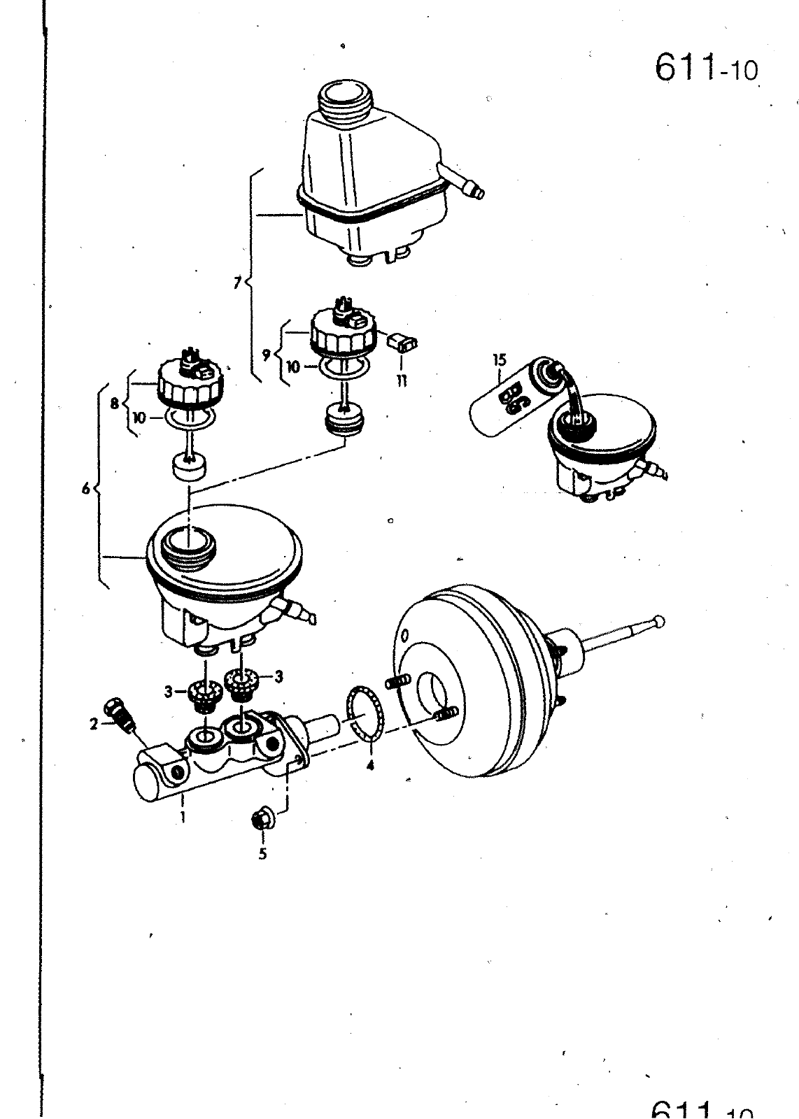
w w 0 611 10 431 1 4 I U 5U U 0 VU I HAUPTGRUPPE 6 RAEOER BREMSEN BILD ERSATZTEILE BENENNUNG BEMERKUNG ST MODELL 1 1 1 1 1 1 5 6 6 7 7 IHl 611 019 C 6N0 614 019 V 6 0 614 019 6 0 614 019 6 1 614 019 A 6 0 614 019 A 6 1 614 019 B 443 611 190 357 611 817 357 611 243 900 744 01 6 1 611 301 B 6 1 611 301 A 6 2 611 301 6 Z 6il 30l B NAWPTBNEMSZYIINOER AWSGIEICNBENAEITE TANDEM NAWfTBNENSZYLlNDE fWE FAHRZEUGE OHNE ANTI BIOCKIERSYSTEM MITVERWENDE TANDEM MAWPTBREMSZYIINDER F ER FAMNZEWGE ON E ANTI UOCKIENSYSTEN F TWiZO 001 6NT F 6N TYiaO 001 N T F 6N TWIZO 001 F N TYiaO 001 TANOEM NANPTBNEMSZYLINDER F EN ANTI lOCKIENSYSTEM 20 64 RIKG 430 611 190 22 22 150 OOb 250 000 AM 6N T 250 000 TANOEM NAWPTBNENSZYLrNOE FWE ANTI BlOCKIENSYSTiM F N TM120 001 f N TY1 001 TANDEM NAWPTNNEMSZYIINDER FUEN ANTI BIOCKIERSYSTEM F N V 000 001 ABS ABS 22 22 22 22 22 22 TA DEM NA PTBREWSZYllNOER FUEN ANTI BIOCKIERSYSTEM ABS F 6N TM100 0 0 6N T 300 000 f TY2 000 6N T 300 000 F N TWlfO OOl F TYI80 001 TANGEN NANPTBNEMSZYIINDE FWE ANTI BIOCKIERSYSTEM ABS f 000 001 VENICNINSSSCNRAWBE STOffEN OIC T A ZWISCHEN BNEMSKNA TVERSTAERKER NNO TANDEM NANPTBNEMSZYLINDER SECNSKANTM TTEN SEIBSTSICNER D A S IEICN E AEITER FNE FAMNZEWtE ONNE ANTI DIOCKIEKSYSTEN AWSaiEICNDEMAElTER FNE FAMNZEWGE MIT ANTI BIOCKIERSYSTEM ABS AUSGLEICWBEHAELTER AWSGIEICNBEHAELTER FUER FAHRZEUGE MIT NYDRAULI SCHER KWPPLUNGSBETAETIGUNG 23 81 23 81 611 10 LLKG RLKG ILKG RIKG RLKG LIKG ILKG RLKG ILKG MlOXl 12 22 41 5X2 5 M8 LLKG LLKG RLKG AER ALL ALD AEV ADX AEX AKY AEE AHG AHG AKU AEF AGD AMF ANX APO AEA AFH AFK AFH AFK AEV AEX AEA AEE AHS AEF T AFH AFK AER ALL ALD AOX AEX AKV AHW AKO AEE AHS AHG AKU AEF AGD AMF AFH C AHS AFH AFK 4JV A N 0 6 006 I RLKG

Vorschau Polo Mod 95-99 Seite 401
Hinweis: Dies ist eine maschinenlesbare No-Flash Ansicht.
Klicken Sie hier um zur Online-Version zu gelangen.