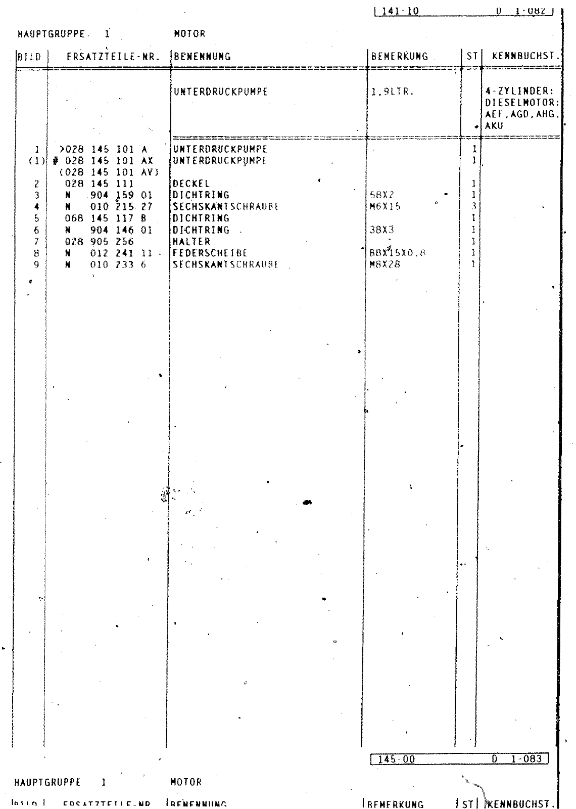
HAUPTGRUPPE 145 00 o 9 6 7 BILD 1 1 2 3 4 5 6 7 8 ERSATZTEILE NR MOTOR BENENNUNG 028 145 101 A 028 145 101 AX 028 145 101 AV 028 145 III N 04 159 01 N 010 1 27 W8 145 117B N 904 146 01 028 905 256 N m 2Wll N 010 3 6 UNTERDRUCKPUMPE UNTERDRUCKPUMPE UNTERDRUCKPyMPE DECKEL DICHTRING SECHSKANTSCHRAUBE DICNTRING OlCHTRING HALTER FEDERSCHEIBE SECHSKANTSCHRAUBE BEMERKUNG 1 9LTR ST KENNBUCHST 58X M6X15 38X3 88X 5X0 8 M8X78 4 ZYLINDER DIESELMOTOR AEF AGD AHG AKU 145 00 D 1 083 I HAUPTGRUPPE 4 j C MOTOR r WO IBFWFMMHMR IRFMFRKUNG rl k STifKENNBUCHST

Vorschau Polo Mod 95-99 Seite 238
Hinweis: Dies ist eine maschinenlesbare No-Flash Ansicht.
Klicken Sie hier um zur Online-Version zu gelangen.