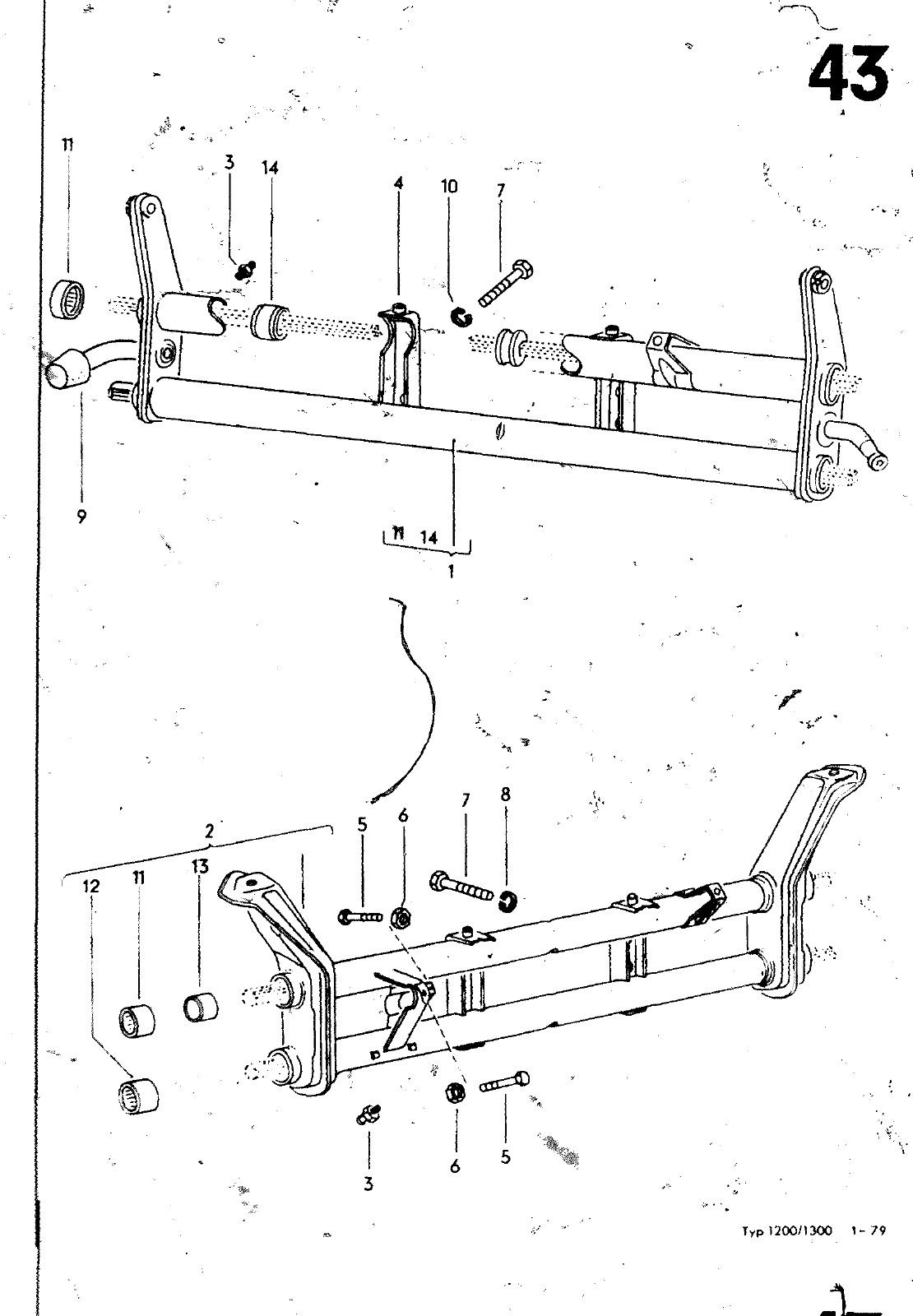
14 7 8 I Ii 0 6 5 HAUPTGRUPPE 4 BILD ERSATZTEIL NR VORDERACHSE LENKUNG a BENENNUNG ST MODELL VORDERACHSKOERPER 111 114 F 150 3100 000 151 152 F 144 2999 000 141 144 1 113 401 021 A VORDERACHSKOERPER LLKGI MI T NADELLAGER OHNE FEDERSTAEBE F 2 921 552 115 999 000 1 III 113 114 14 151 2 113 401 021 D VORDERACHSKOERPER ILLKGI OHNE FEDERSTAEBE F 156 000 001 150 3100 000 1 151 F y 146 00Q 001 144 2999 000 1 141 143 F lf 000p01 1 111 113 III 114 401 021 A VOADERÄQHSKOERPER IRLKCf MIT NAÖELLAGER OHNE FEDERSTAEBE F 2 921 552 115 999 000 1 112 114 142 144 152 121 114 401 021 D VORDERACHSKOERPER RLKGI lOHt E FEDERSTAEBE 136 000 001 150 3100 OOO 1 152 r 146 000 001 144 2999 000 1 142 144 F 116 000 001 1 112 114f 131 N 018 530 1 DRUCKSCHMIERKOPF A 10 F L 3 33a 657 4 3 N 018 516 1 DRUGKSCHMIERKO F A 8 F 3 338 658 4 4 NICHT h HR LIEFERBAR 5 131 401 f93 SECHSKANTSCHRAUBE M 8X25 FÜER LENKANSCHLAG F 156 000 001 150 3100 000 2 151 152 F 116 000 001 2 111 114 F 146 000 001 148 469 5 1 141 14 151 N 010 244 11 SECHSKANTSCHRAUBE M 8X30 F 146 000 001 144 2999 000 2 142 144 F 148 469 574 144 2999 000 1 141 143 6 N 011 118 11 SECHSKANTMUTTER BM 8 F 116 000 001 2 7 N 010 190 4 SECHSKANTSCHRAUBE 4 f M 12X1 5X90 8 042 4 FEDERRING B 1 r F 116 000 001 4 III 1 239 NACHLAUPKEIL F 115 999 OBO 2 9 III 401 273 GUMMI F 115 999 000 2 10 N 012 042 4 FEDERRING B 12 F 11 III 401 301 NADELLAGER 46 0 cs I F 1 2 921 55 115 999 000 4 F 116 000 001 2 A 43 12 13 D 1 4 002

Vorschau VW 1200 1300 F-118 2050 000 Seite 609
Hinweis: Dies ist eine maschinenlesbare No-Flash Ansicht.
Klicken Sie hier um zur Online-Version zu gelangen.