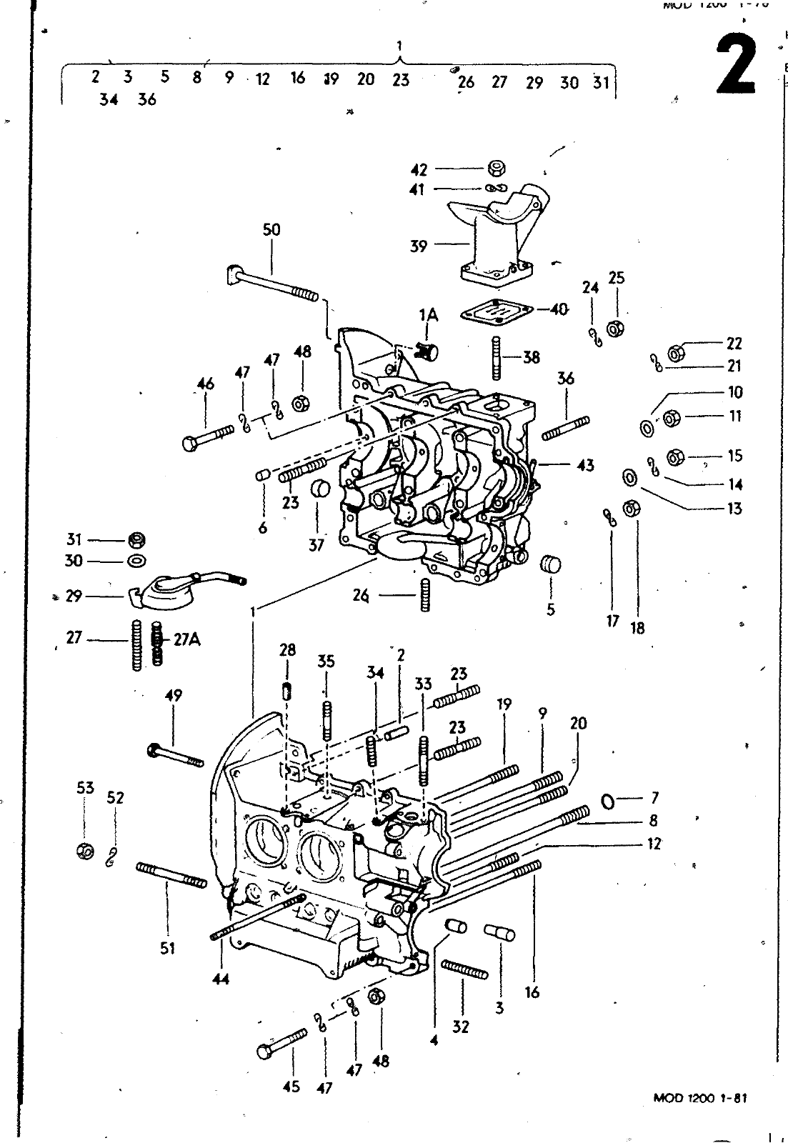
1 y 2 3 5 8 9 12 M W 20 23 26 27 29 30 31 34 34 2 42 am 50 39 25 24 1A 22 48 58 47 46 1 O D 23 37 30 24 29 27 27A 28 35 23 49 20 23 r I 52 0 12 p CCZ 44 32 48 47 45 47 MOO 1200 1 81 HAUPTGRUPPE 1 MOTOR BILD ERSATZTEILE Nd BENENNUNG BEMERKUNG ST KENNBUCHST III 101 025 H 1A 2 3 4 5 6 7 8 9 10 1 1 12 112 1 3 15 16 17 18 19 1191 20 21 22 23 23 31 24 25 26 1261 27 27A 28 29 30 31 32 33 33 34 D 043 113 1 1 3 1 1 3 113 1 1 1 113 N 000 101 101 101 101 101 101 101 300 109 11 1 112 118 122 123 125 N 014 501 1 014 516 1 043 101 129 043 101 131 N N N N N N N N N N N N N N N N N 1 1 3 113 043 N 113 N N N N 014 397 9 014 491 2 013 830 1 012 241 11 011 008 8 014 012 01 1 014 014 014 012 01 1 014 014 014 012 01 1 014 014 014 101 101 101 01 1 101 014 014 014 014 465 241 008 444 486 419 241 008 8 396 8 490 5 428 9 241 1 008 8 542 478 545 139 145 149 524 175 395 428 484 398 KUABELGEHAEUSE KURBELGEHAEUSE MITVERWENDEN GEHAEUSEDICHTUNGSMASSE ABDECKKAPPE ZYLINOERSTIFT VERSCHLUSSSTOPFEN VERSCHLUSSSTOPFEN VERSCHLUSSSTOPFEN PASSSTIFT DICHTRING LAGER 1 3 STIFTSCHRAUBE LAGER 1 3 STfFTSCHRAUBE LAffR 1 3 UNTERLEGSCHEIBE LAGER 1 3 SECHSKANTMUTTER LAGER 1 3 STIFTSCHRAUBE LAGER 4 STIFTSCHRAUBE DICHTRING LAGER 4 FEDERSCHEIBE LAGER 4 SECHSKANTMUTTER LAGER 4 STIFTSCHRAUBE FEDER5CHEI8E SECHSKANTMUTTER STIFTSCHRAUBE STIFTSCHRAUßE STIFTSCHRAUBE FEDERSCHEIBE SECHSKANTMUTTER STIFTSCHRAUeE STIFTSCHRAUBE STIFTSCHRAUBE FEDERSCWEIBE SECHSKANTMUTTER STIFTSCHRAUBE STIFTSCHRAUBE STIFTSCHRAUBE STIFTSCHRAUBE lUEBERGROESSE BUCHSE OELROHR MIT ABSCHIRMBLECH SCHEIBE SECHSKANTMUTTER SELBSTSICHERND STIFTSCHRAUBE STIFTSCHRAUBE STIFTSCHRAUBE STIFTSCHRAUBE 143 E 143 F 043 101 043 101 175G 17MM 8X25 14 2 19 2 10X18 AM12X1 5AX156 AM12X1 5AX166 12 2X22 M12X1 5 AM8AX56 CM10A M8X56 A8X14 B8X15 M8 CM10A M8X97 88X15 M8 AM8AXI25 CM10A M8X12S AM8AX112 B8X1S M8 AH8AX50 CM10A M8X50 AM8AX48 B8X15 M8 AM6AX21 CM8A M6X21 AM6AX36 A6 4 M 6 AM8AX42 AM8AX48 CM10A M8X48 AM8AX27 1 9 7 X X 2 1 3 1 5 6 3 3 6 6 2 X 2 2 2 1 1 1 1 X 1 2 2 3 X 3 7 7 5 X 1 X 2 1 1 1 4 2 X 1 D 1 0021 ICM10A M8X27

Vorschau VW 1200 F 118 2100 001> Seite 45
Hinweis: Dies ist eine maschinenlesbare No-Flash Ansicht.
Klicken Sie hier um zur Online-Version zu gelangen.