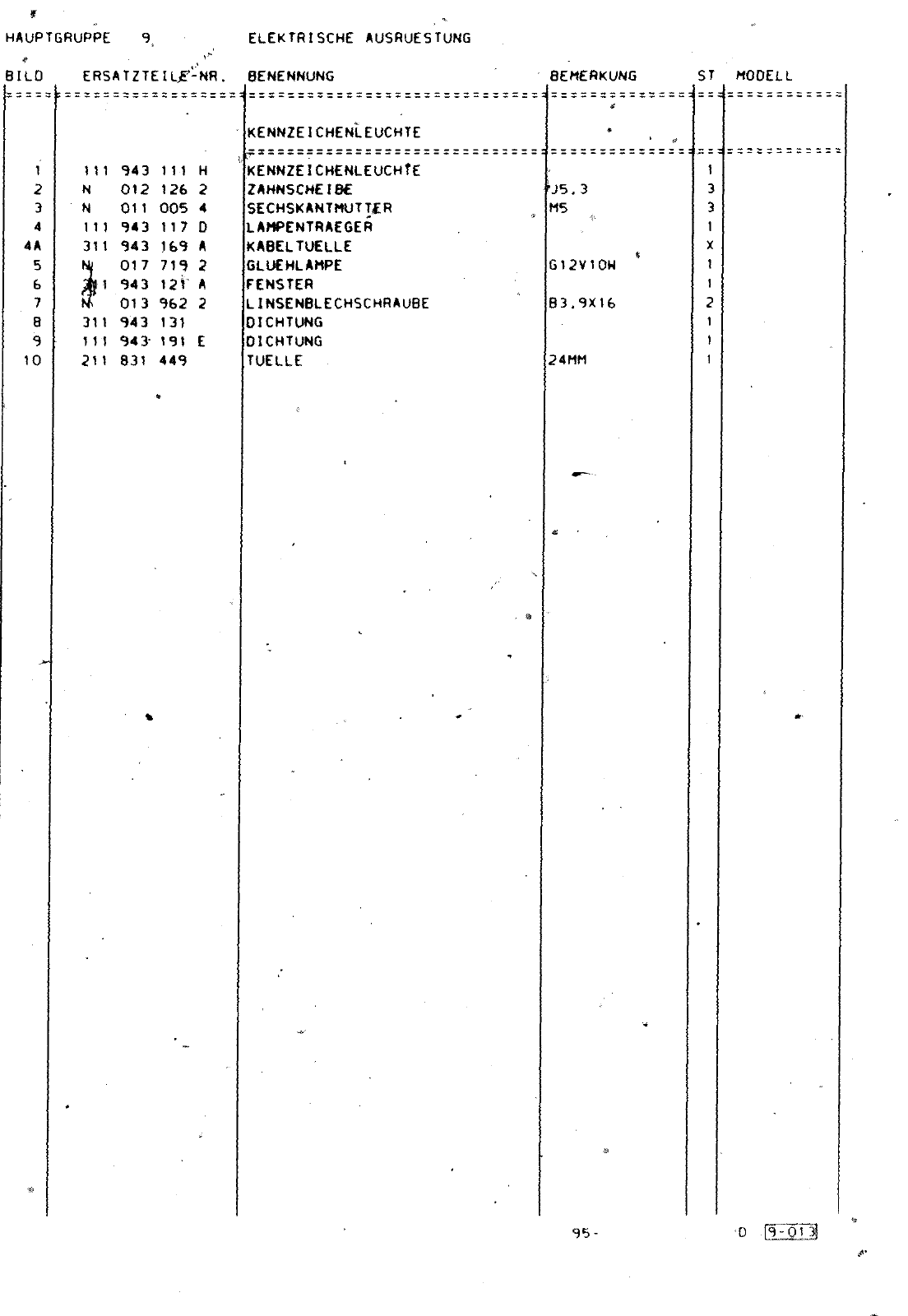
95 4 A ä MOO 1200 1 78 HAUPTGRUPPE 9 ELEKTRISCHE AUSRUESTUNG BILD ERSATZTElLf NR BENENNUNG BEMERKUNG ST MODELL 1 2 3 4 4A 5 6 7 8 9 10 1 1 1 N N 1 1 311 311 11 1 211 94 3 012 011 943 943 01 7 943 01 3 943 943 831 111 126 005 n 169 719 12 962 131 191 449 KENNZEICHENLEUCHTE KENNZEICHENLEUCHTE ZAHNSGHEI8E SECHSKANTMUTTER LAMPENTRAEGER KABELTUELLE GLUEHLAMPE FENSTER LINSENBLECHSCHRAUBE DICHTUNG DICHTUNG TUELLE J5 3 MS G12V10W B3 9X16 24MM 95

Vorschau VW 1200 F 118 2100 001> Seite 294
Hinweis: Dies ist eine maschinenlesbare No-Flash Ansicht.
Klicken Sie hier um zur Online-Version zu gelangen.