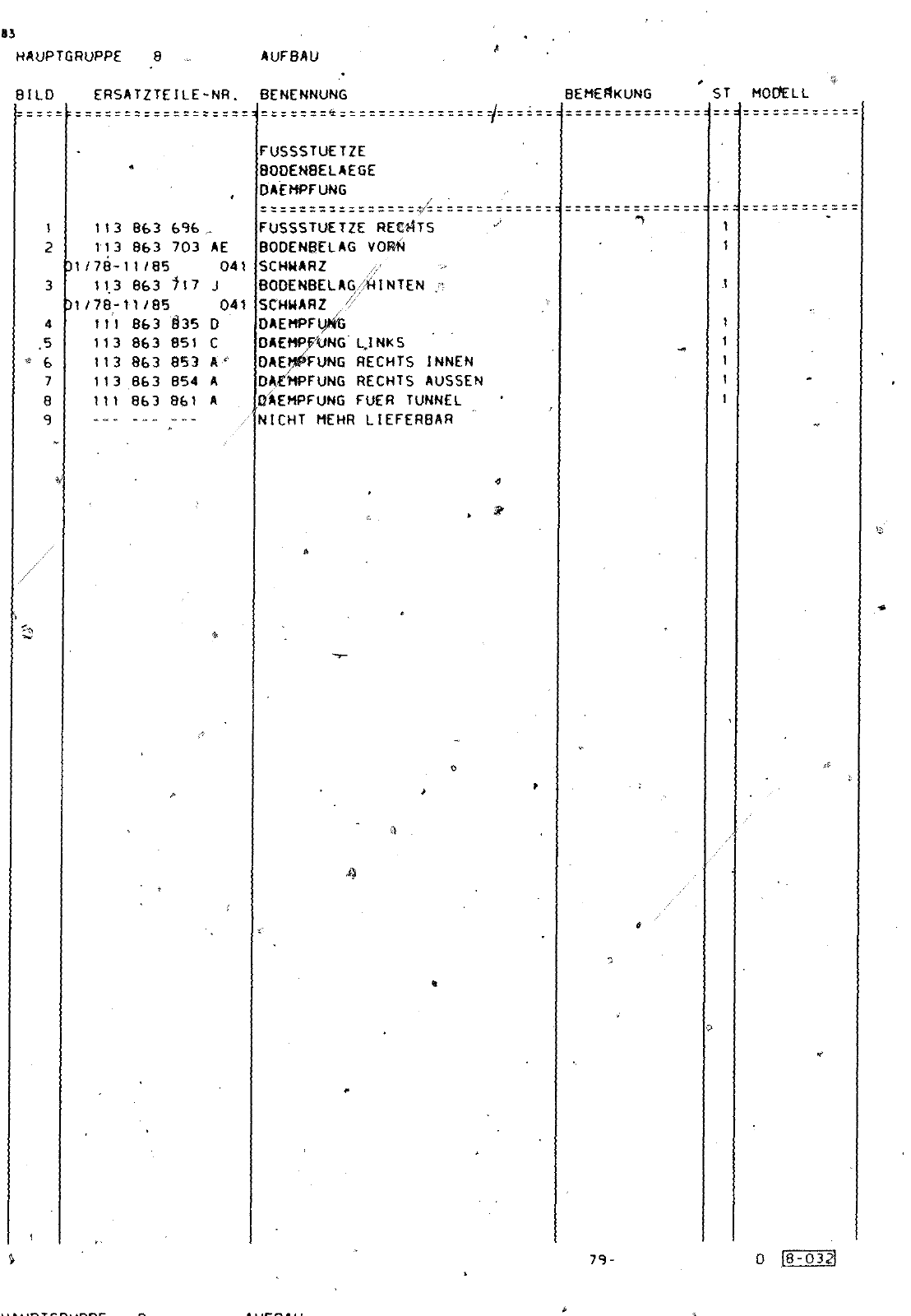
MOO12O0 79 MOO1200 179 HAUPTGRUPPE AUFBAU 3ILD ERSATZTEILE NR BENENNUNG BEMERKUNG ST MOOELL FUSSSTUETZE 80DEN8ELAEGE DAEMPFUNG 113 863 696 113 863 703 1 78 11 85 113 863 fl7 1 78 11 85 111 1 1 3 1 1 3 1 1 3 1 1 1 863 35 863 851 863 853 863 854 863 861 AE 041 J 041 D C A A A FUSSSTUETZE RECÜTS BODENBELAG VO A SCHWARZ BODENBELAG INTEN SCHWARZ y DAEMPFuWt DAEMPfUNG LJNK5 DAEM fUNG RECHTS INNEN DAZMPfUNG RECHTS AUSSEN ßAEMPFUNG FUER TUNNEL NICHT MEHR LIEFERBAR HAUPTGRUPPE 8 AUFBAU 0 18 033

Vorschau VW 1200 F 118 2100 001> Seite 244
Hinweis: Dies ist eine maschinenlesbare No-Flash Ansicht.
Klicken Sie hier um zur Online-Version zu gelangen.