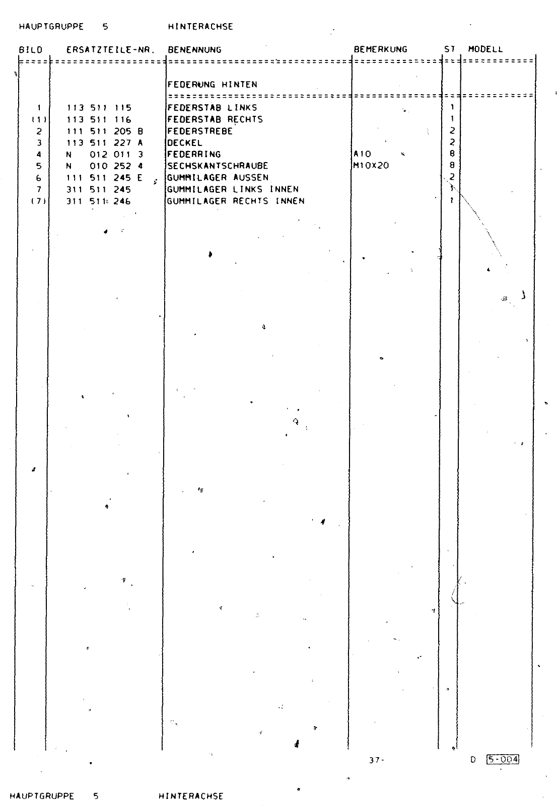
37 HAUPTGRUPPE 5 HINTERACHSE 6IL0 ERSATZTEILE NR BENENNUNG BEMERKUNG ST MODELL FEDERUNG HINTEN 3 1 2 3 4 5 6 7 7 I f13 5 1 113 511 1 1 1 1 1 3 N N 31 1 311 5 1 16 205 B 227 A 011 3 010 252 4 511 245 E 511 245 511 246 511 51 1 012 FEDERSTAB LINKS FEDERSTAB RECHTS FEDERSTREBE DECKEL FEDERRING SECHSKANTSCHRAUBE GUMMILAGER AUSSEN GUMMILAGER LINKS INNEN GUMMILAGER RECHTS INNEN A10 M10X20 HAUPTGRUPPE 5 HINTERACHSE

Vorschau VW 1200 F 118 2100 001> Seite 144
Hinweis: Dies ist eine maschinenlesbare No-Flash Ansicht.
Klicken Sie hier um zur Online-Version zu gelangen.