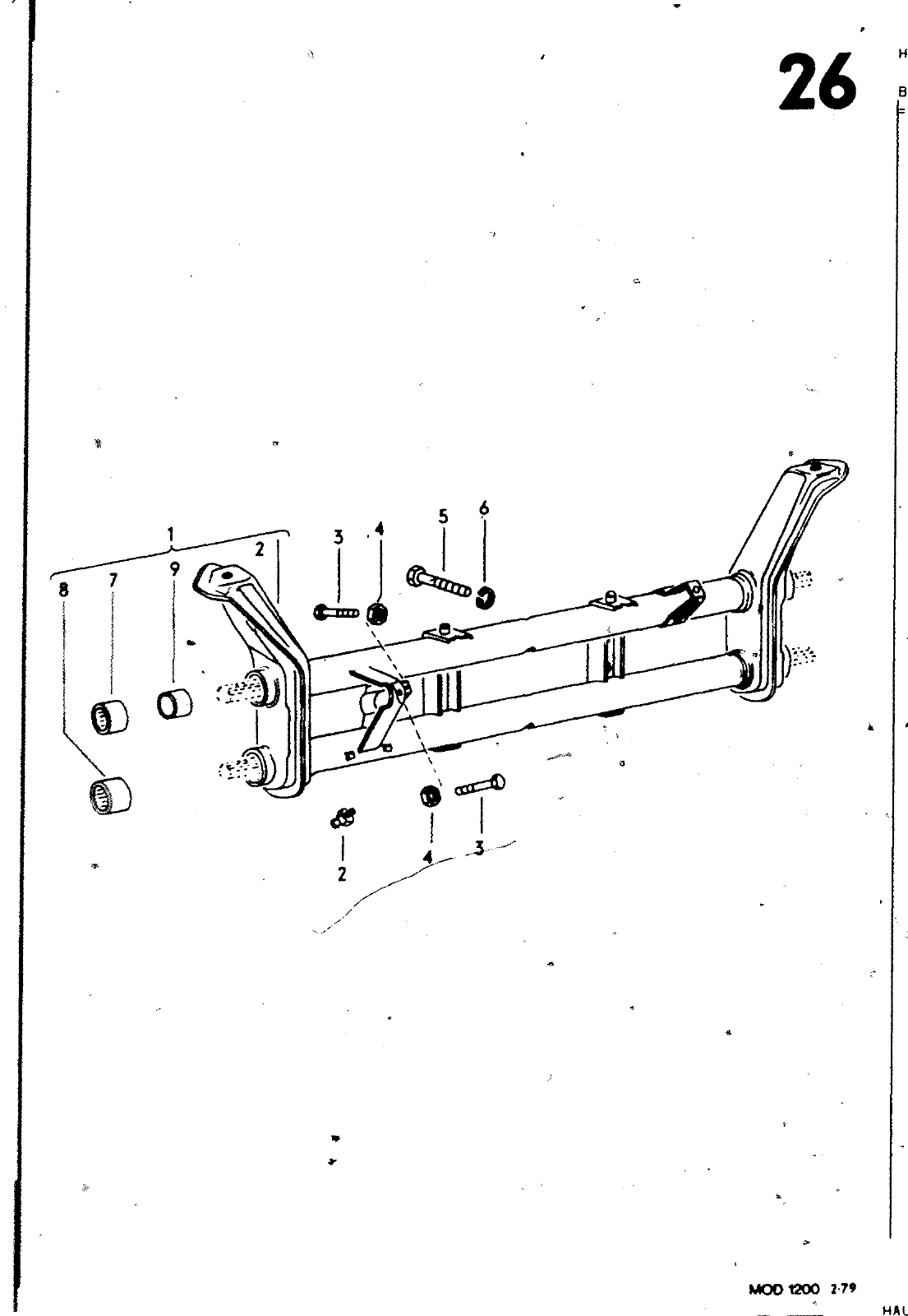
26 P 0 HAUPTGRUPPE 4 VORDERACHSE LENKUNG BILD ERSATZTEILE NR BENENNUNG 1 2 3 4 5 6 7 8 18 7 9 BEMERKUNG MODELL 111 400 025 R 113 N 131 N N N 1 1 f 401 021 018 516 401 193 011 118 010 012 042 4 1 M 311 401 301 C 311 4d 301 0 III 401 303 131 401 iü3 V VORDERACHSE VORDERACHSE OHNE LENKUNGS OAEMPFER TROMMELBREMSE MIT 4 BEFESt GUNGSLOECHERNI VOROGRACHSKOERPER VORDERACHSKOERPER DRUCKSCHMIERKOPF 5ECHSK NTSCHRAU8E SECHSKANTMUTTER SECHSKANTSCHRAUBE FEOERRING NADELLAGER a OELLAGER NADELLAGER UEBERGRGfSSE NADELLAGER UEBERGROfSSE ÖUCd E LLKG AB M8X25 BM8 MI2XI 5X90 12 i 6 0 OBEN 50 0 UNTEN 50 2 UNTEN 46 2 OBEN 26 D 14 0011 MOO 1200 2 7 HAUPTGRUPPE 4 VORDERACHSE LENKUNG

Vorschau VW 1200 F 118 2100 001> Seite 119
Hinweis: Dies ist eine maschinenlesbare No-Flash Ansicht.
Klicken Sie hier um zur Online-Version zu gelangen.