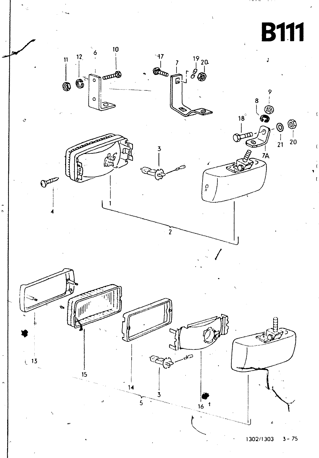
10 B111 18 A na 20 ja 5 1302 1303 1 75 7A 8 9 10 1 1 12 13 1 4 14 1 15 I 151 I 16t I 16 17 18 19 20 21 481 857 729 HALTER F 135 2260 188 011 3 FEDERRING A10 010 11 SECHSKANTMUTTER MIO 215 13 SKHSKANTSCHRAUBE M6X15 Ft 134 2999 000 006 8 CHSKANTMUTTER M6 F 1 134 2999 000 006 4 FEDERRING 86 F 134 2999 000 713 RAHMEN I BOSCH I F 134 2999 000 7 5 DICHTUNG BOSCH F 134 2999 000 715 A DICHTUNG HELLA F 134 2000 001 135 2260 187 719 NEBELSCHE I WERFERSCHEIBE BOSCH F 134 2999 000 NEBELSCHEINWERFERSCHEIBE HELLA F 134 2000 001 135 2260 187 727 REFLEKTOR HELLA F 134 2000 001 727 A REFLEKTOR HELLA GELBGLASS F 134 2000 001 135 2260 1ß7 727 REFLEKTOR BOSCH F 134 2999 000 729 A HALTEFEDER HELLA F 134 2000 001 135 2260 18 511 191 N 012 N 011 N 010 N 01 1 N 012 481 941 481 941 481 941 481 941 481 941 719 A 113 941 113 941 481 941 481 941 411 915 113 707 L RELAIS SCHRAUBE M 8 20 F 135 2000 001 135 2260 187 F 155 2000 001 156 2008 488 N 010 239 11 SECHSKANTSCHRAUBE M 8X18 F 135 2260 188 135 2600 000 F 156 2008 489r N 012 228 3 FEDERSCHEIBE B 8 I F 135 2000 001 135 2260 187 N 011 008 8 SECHSKANTMUTTER M 8 F 135 2000 001 N 011 525 13 SCHEIBE A 8 4 F 135 2260 188 1303 139 136 1303 15ll152 1303 1351136 1303 151 4152 r i 11 1303 D 1 9 028

Vorschau VW 1302-1303 Seite 867
Hinweis: Dies ist eine maschinenlesbare No-Flash Ansicht.
Klicken Sie hier um zur Online-Version zu gelangen.